Productomschrijving
De GoFa 10, De Allrounder
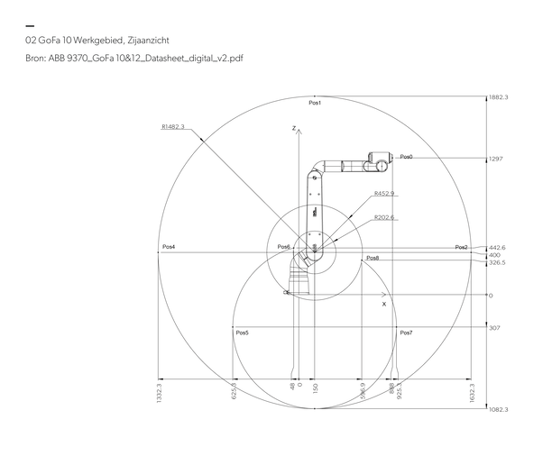
De GoFa 10 is het meest geschikt als u grote producten wilt lassen. U heeft alle voordelen van GoFa 5, maar door het grotere werkbereik is er meer werkruimte waar gebruik van gemaakt kan worden. Hierdoor kunt u een groot product lassen, of meerdere kleine.



